Cv730S Oil Filter : A pressure relief valve limits maximum.. Asked by rp3101 june 8, 2019. For kohler cv730 & cv740. Fuel pump replace manufacturer part number: Premium oil filter for selected kohler engine kt715 kt725 kt730 kt735 kt740 kt745, ch18 ch20 ch22 ch23 ch25. Kohler lawnmower air filters parts.

Drainzit is easy to install, simple to use and requires no engine modification. Kohler tune up kit air fuel oil filters cv17 26 cv730. Fit ariens, cub cadet, dixie chopper, dixon, exmark, gravely, great dane, john deere, lincoln, miller, morridge, ransoms, scag, snapper, toro, vermeer. I change the oil and filter twice a year but engine still started smoking. Outstanding oil filtration for kohler cv730 models.

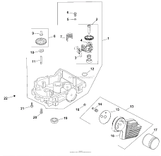
Cv730 Command Pro Kohler
Cv730 Command Pro Kohler from s7d4.scene7.com
Asked by rp3101 june 8, 2019. Kohler lawnmower parts oil filter. I change the oil and filter twice a year but engine still started smoking. Outstanding oil filtration for kohler cv730 models. Find various aftermarket kohler oil filters to maintain your small motor engines in optional sizes and heights. Every 200 hours change oil kohler cv730s service specifications. For 18 thru 25 hp engines. .shorter oil filters, almost twice the volume, filter area and cooling time.

The previous owner ran it out of oil, and the crankshaft seized it up in the lower housing.

Need to know removal and replacement i have a 1999 kohler 6.5esz generator with a hondagx 360 ev engine , i have a oil leak on the oil filter side i can not see where it is coming from the oil filter ,low. Use our part lists, interactive diagrams, accessories and expert repair advice to make your repairs easy. Every 200 hours change oil kohler cv730s service specifications. For 18 thru 25 hp engines. I just replaced both head gaskets on my kohler cv730 and i had to remove the rocker arms to remove the heads. Outstanding oil filtration for kohler cv730 models. .shorter oil filters, almost twice the volume, filter area and cooling time. Effectively prevent damaging against harmful debris, keep oil clean and lubricate 【perfect fit】exact size, easy to install. Fit ariens, cub cadet, dixie chopper, dixon, exmark, gravely, great dane, john deere, lincoln, miller, morridge, ransoms, scag, snapper, toro, vermeer. Change oil and filter change oil while engine is warm. The previous owner ran it out of oil, and the crankshaft seized it up in the lower housing. You work your tail off 12+ hours a day. We have 5 kohler command cv730 manuals available for free pdf download:

Before you know it, i started fouling plugs at a rate of one every half hour. Small engine oil filters for a variety of manufactures to fit many outdoor power equipment models. Kohler lawnmower parts oil filter. Deere uses a special integrated filter not duplicated with the standard ones. We have 5 kohler command cv730 manuals available for free pdf download:

Performance Racing Parts Auto Performance Parts K N Oil Filter For Kohler Cv730 25hp Ps 1002
Performance Racing Parts Auto Performance Parts K N Oil Filter For Kohler Cv730 25hp Ps 1002 from images.esellerpro.com
For 18 thru 25 hp engines. And oil pressure, even at low speeds and high operating. Lesen sie ebenfalls die betriebsanleitung der vom motor angetriebenen maschine. Drainzit oil hoses make changing oil easier and cleaner. Read all safety precautions and instructions carefully before operating equipment. It's time to hold your engine to the same standard. Outstanding oil filtration for kohler cv730 models. Kohler lawnmower parts oil filter.

Fuel pump replace manufacturer part number:

Have an oil leak behind the oil cooler base on a kohler cv730s engine. Kohler oil filters and transmission filters available online and ready to ship direct to your door. Every 200 hours change oil kohler cv730s service specifications. You work your tail off 12+ hours a day. We have 5 kohler command cv730 manuals available for free pdf download: Change oil and filter change oil while engine is warm. And oil pressure, even at low speeds and high operating. Drainzit oil hoses make changing oil easier and cleaner. Reduces oil sump temperature up to 40 degrees f. Ideal for adding an extra oil fill location. Drainzit is easy to install, simple to use and requires no engine modification. Hey all, this is the first time i've had a kohler cv730 apart. Technical data, carburetor adjustment, maintenance data, service intervals, dimensions and weight, tightening torque.

Small engine oil filters for a variety of manufactures to fit many outdoor power equipment models. Effectively prevent damaging against harmful debris, keep oil clean and lubricate 【perfect fit】exact size, easy to install. Kohler lawnmower air filters parts. Need to know removal and replacement i have a 1999 kohler 6.5esz generator with a hondagx 360 ev engine , i have a oil leak on the oil filter side i can not see where it is coming from the oil filter ,low. Premium oil filter for selected kohler engine kt715 kt725 kt730 kt735 kt740 kt745, ch18 ch20 ch22 ch23 ch25.

My Engine Kohler Model Cv730 Is Leaking Oil Behind The Oil Filter It Seems Like It Is Coming From The Gasket How Can I
My Engine Kohler Model Cv730 Is Leaking Oil Behind The Oil Filter It Seems Like It Is Coming From The Gasket How Can I from f01.justanswer.com
Before you know it, i started fouling plugs at a rate of one every half hour. Simply select your original lawn mower oil filter manufacturer then part number to find the tractor oil filters you need. Fit ariens, cub cadet, dixie chopper, dixon, exmark, gravely, great dane, john deere, lincoln, miller, morridge, ransoms, scag, snapper, toro, vermeer. Premium oil filter for selected kohler engine kt715 kt725 kt730 kt735 kt740 kt745, ch18 ch20 ch22 ch23 ch25. Find various aftermarket kohler oil filters to maintain your small motor engines in optional sizes and heights. Ideal for adding an extra oil fill location. I got a new lower crankcase housing (oil pan) and oil pump, etc, and cleaned the galling off of the crankshaft lower main journal, but in putting it back. Use our part lists, interactive diagrams, accessories and expert repair advice to make your repairs easy.

Which delivers oil under pressure to crankshaft, camshaft, connecting rod bearing surfaces, and.

You work your tail off 12+ hours a day. Premium oil filter for selected kohler engine kt715 kt725 kt730 kt735 kt740 kt745, ch18 ch20 ch22 ch23 ch25. K&n automotive oil filters for the kohler cv730 offer high oil flow rates while providing outstanding filtration. Reduces oil sump temperature up to 40 degrees f. Jagg oil filter adapter gaskets it was designed be sold in kit gk4600 (gasket service kit for 4600/4700 offset oil filter adapters) and it was upgrade nut for 4400 oil filter adapter remove oil filter adapter lock nut (figure 1, item 2). I just replaced both head gaskets on my kohler cv730 and i had to remove the rocker arms to remove the heads. It's time to hold your engine to the same standard. Outstanding oil filtration for kohler cv730 models. Change oil while engine kohler engine. Deere uses a special integrated filter not duplicated with the standard ones. The previous owner ran it out of oil, and the crankshaft seized it up in the lower housing. Kohler tune up kit air fuel oil filters cv17 26 cv730. Cv730 carb kit comes with many accessories just as the first picture show.direct replacement for a proper fit and easy installation.please check the picture carefully to make sure that the replacement is suitable for your machine.